产品介绍
● 在高速高负载工况下,采用中空油冷的方法来解决因滚珠丝杆内的钢珠与沟槽或钢珠与钢珠之间的摩擦所产生的热温升和热变形,从而提升机床的定位精度。可广泛适用于从小型到大型机床的高精密度需求。
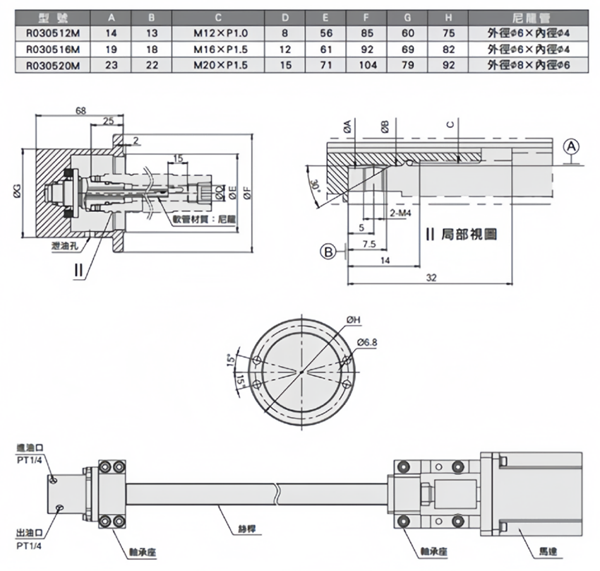
产品规格
● 可对应于轴径Φ32、Φ36、Φ40、Φ50
● 最大轴长度为 2000mm
产品特性
● 防止热变形
● 适用于高速高精度环境
● 保证丝杆的传动精度
中空丝杆冷却的原理
● 中空丝杆冷却原理是在丝杆内部引入冷却液,通过冷却液的流动,控制丝杆温度,防止热变形,保证精度和寿命。

中空丝杆结构设计
● 冷却通道:冷却通道设有单向进出口或两端进出口,用于连接冷却系统的管路,进出口的位置和冷却系统布局及孔径大小来确定。
